首页
|
关于协会
协会简介
协会章程
|
行业动态
行业资讯
协会动态
协会活动
通知公告
|
政策法规
国家法规
地方法规
政策文件
政策解读
|
技术信息
|
会员之窗
会员服务
会员单位
融资服务
培训报名
法律咨询
|
人才库
|
诚信平台
|
联系我们
通知公告
行业资讯
协会动态
协会活动
通知公告
在线法律咨询
15185119198(徐律师)/15285051125(冯律师)
327802038
当前位置:
主页
>
行业动态
>
通知公告
>
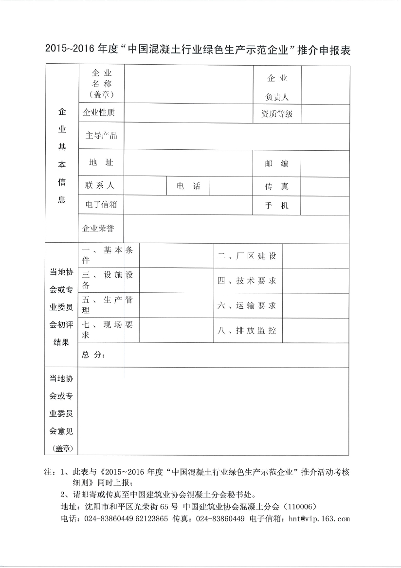
黔砼协通字〔2017〕11号 转发关于开展“中国混凝土行业绿色生产示范企业”推介活动的通知
发布日期:2017-05-15 14:16
黔砼协通字〔2017〕11号 转发关于开展“中国混凝土行业绿色生产示范企业”推介活动的通知
扫描二维码!
帮助您随时随地
关注我们的动态